Teknik Motor Samhälle Spel Popkultur Fritid Tjock Tester Dagens fråga Tipsa! Skaffa Feber+
Hetaste
Senaste
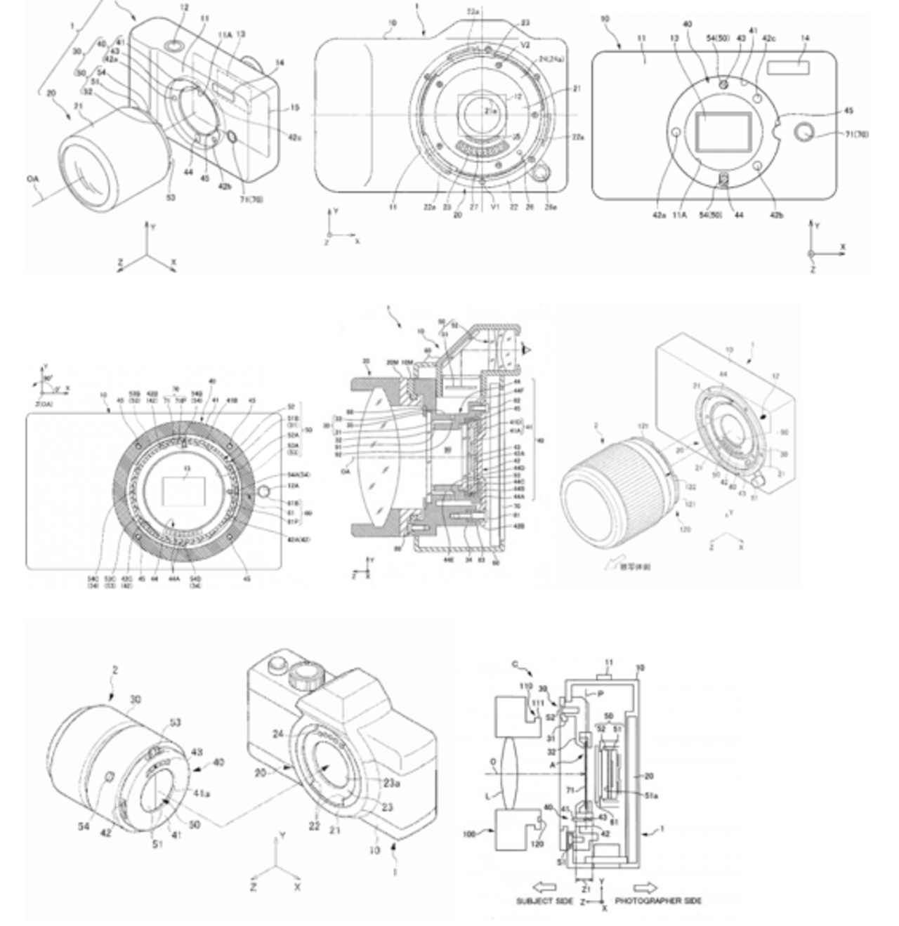
Rykte Nikon EVIL i april? Den ska dessutom vara riktad mot proffs Nikon EVIL i april? Senaste på ryktesfronten vad gäller Nikon är att deras spegellösa systemkamera kommer att vara riktad mot proffs. Detta är inget nytt men vad som Nikon Rumors klassar som en säker källa har nu även han/hon/det meddelat att så är fallet.Det har dessutom spridits bra många rykten om att Nikon kommer att lansera saker någon gång första halvan av april och att detta kommer att bli den spegellösa kameran. En trolig kandidat till denna lansering är även Nikon D5100. nikonrumors.com Foto, Rykten, nikon, rykte, spegellös, evil, d5100
36.9° 0 Gordon Andersson Gordon Andersson
fre. 11 mar 2011, 13:12
+ Per månad 39 kr Betala löpande per månad. Ingen bindningstid. Starta prenumeration Per år 299 kr Enklast och billigast, bara 25 kronor i månaden. Betala löpande per år. Ingen bindningstid. Prova 14 dagar gratis innan du bestämmer dig. Starta gratis provperiod Engångsköp 349 kr Slipp återkommande betalningar, betala ett år i taget. Betala med kort eller Swish. Köp utan prenumeration